
產品名稱:Q911F電動內螺紋球閥
產品標簽:球閥,電動內螺紋球閥
更新時間:2019/6/4 16:40:49
上一個產品: QJ941M/F電動高溫球閥
下一個產品:Q641F氣動帶手輪球閥
在線訂購:在線訂購
產品詳情
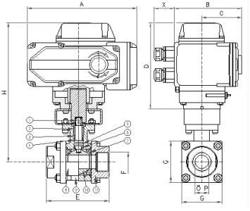
CH系列執行機構技術參數 |
閥體參數 |
|||
電源 |
AC200/220V,50/60Hz |
公稱通徑 |
DN10~100mm |
|
輸出力矩 |
50N?M~2000N?M |
公稱壓力 |
PN1.6 2.5 4.0 6.4 31.5MPa(定制) |
|
動作范圍 |
0~90° 0~360° |
泄漏量 |
軟密封:零泄漏 |
硬密封:≤額定流量的10-5 |
動作時間 |
15秒/30秒/60秒 |
執行機構 |
可另配PSQ、HQ、UNIC、361RS等系列 |
|
保護裝置 |
過熱保護 |
流量特性 |
快開特性 |
|
環境溫度 |
-30°~60° |
可調范圍 |
DN10-80 |
|
250:1 |
||||
手動操作 |
同附帶手柄操作 |
基本誤差 |
±1% |
|
限位 |
電氣、機械二重限位 |
死區 |
≤1% |
|
防護等級 |
相當于IP-65 |
回差 |
≤1% |
|
位置測量 |
可選裝開關或電位計 |
適用溫度 |
密封面 |
|
驅動電機 |
8W/E |
PTFE≤150℃ RTFE≤180℃ PPL≤300℃ |
||
試驗壓力 |
公稱壓力(Mpa) |
壓力級(class) |
JIS(Mpa) |
|||||||
1.6 |
2.5 |
4.0 |
6.4 |
10.0 |
150 |
300 |
600 |
10K |
20K |
|
強度試驗 |
2.4 |
3.8 |
6.0 |
9.6 |
15.0 |
3.1 |
7.8 |
15.3 |
2.4 |
3.8 |
密封試驗 |
1.8 |
2.8 |
4.4 |
7.0 |
11.0 |
2.2 |
5.6 |
11.2 |
1.5 |
2.8 |
氣密試驗 |
0.5~0.7 |
|||||||||
連接方式 |
內螺紋連接 |
對焊連接 |
|||||
零件名稱 |
閥體閥蓋 |
WCB |
CF8(304) |
CF8M(316) |
WCB |
CF8(304) |
CF8M(316) |
球體、閥桿 |
2Cr13 |
0Cr19Ni9 |
OCr17Ni12Mo2 |
2Cr13 |
0Cr19Ni9 |
OCr17Ni12Mo2 |
|
密封圈、填料 |
增強聚四氟乙烯、對位聚苯 |
||||||
適用工況 |
適用介質 |
水、蒸汽 |
硝酸等腐 |
醋酸等腐 |
水、蒸汽 |
硝酸等腐 |
醋酸等腐蝕介質 |
適用溫度 |
-29~180°C(增強聚四氟乙烯)、-29~300°C(對位聚苯) |
||||||
公稱通徑 |
內螺紋連接 |
對焊連接 |
||||||||||
inch |
D |
L |
H |
管螺紋G |
B |
重量 |
尺寸(mm) |
重量 |
||||
L |
D1 |
D2 |
||||||||||
3/8 |
10 |
60 |
57 |
3/8″ |
95 |
0.34 |
70 |
10 |
18 |
0.32 |
||
1/2 |
15 |
75 |
68 |
1/2″ |
110 |
0.47 |
75 |
15 |
24 |
0.48 |
||
3/4 |
20 |
80 |
70 |
3/4″ |
110 |
0.68 |
90 |
20 |
28 |
0.68 |
||
1 |
25 |
90 |
80 |
1″ |
140 |
1.2 |
100 |
25 |
34 |
1.2 |
||
11/4 |
32 |
110 |
85 |
11/4″ |
140 |
1.9 |
110 |
32 |
41 |
1.9 |
||
11/2 |
38 |
125 |
100 |
11/2″ |
180 |
2.7 |
128 |
38 |
49 |
2.7 |
||
2 |
50 |
144 |
110 |
2″ |
180 |
3.9 |
154 |
50 |
62 |
3.8 |
||
21/2 |
64 |
186 |
130 |
21/2″ |
200 |
7.1 |
193 |
64 |
78 |
7.0 |
||
3 |
78 |
206 |
150 |
3″ |
250 |
11.5 |
222 |
78 |
94 |
11.4 |
||
4 |
98 |
240 |
170 |
4″ |
250 |
20.5 |
273 |
98 |
124 |
20.3 |
||
![]() |





