
產品詳情
閥體 |
閥桿 |
閥球 |
密封面 |
墊片 |
填料 |
工作溫度 |
適用介質 |
WCB |
1Cr13 |
1Cr13 |
1Cr13 司太立合金 本體材料 |
柔性石墨 不銹鋼加柔性石墨 08軟鋼 F304 F316 |
柔性石墨 編結石墨 |
-29-425℃ |
水、蒸汽、油品 |
WC6 |
15CrMo |
15CrMo |
-29-425℃ |
||||
WC9 |
25Cr2MoV |
25Cr2MoV |
|||||
LCB |
304 |
304 |
-46-354℃ |
||||
CF8 |
304 |
304 |
-196-600℃ |
部分酸、堿 |
|||
CF3 |
304L |
304L |
|||||
CF8M |
316 |
316 |
|||||
CF3M |
316L |
316L |
公稱壓力 |
50 |
65 |
80 |
100 |
125 |
150 |
200 |
250 |
300 |
350 |
400 |
450 |
500 |
|
系列1L |
216 |
241 |
283 |
305 |
356 |
394 |
457 |
533 |
610 |
686 |
762 |
864 |
914 |
|
系列2L |
- |
- |
- |
- |
- |
- |
500 |
600 |
700 |
800 |
900 |
- |
1000 |
|
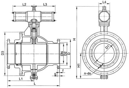
H |
102 |
114 |
127 |
152 |
184 |
219 |
273 |
360 |
395 |
430 |
470 |
550 |
580 |
|
手動 |
H1 |
107 |
125 |
152 |
178 |
300 |
330 |
398 |
495 |
580 |
625 |
670 |
698 |
840 |
E |
- |
- |
- |
- |
- |
- |
115 |
116 |
171 |
171 |
257 |
257 |
257 |
|
F |
- |
- |
- |
- |
- |
- |
350 |
350 |
400 |
420 |
400 |
420 |
400 |
|
W |
230 |
400 |
400 |
650 |
1050 |
1050 |
600 |
600 |
800 |
800 |
800 |
800 |
800 |
|
WT(KG) |
12 |
16 |
22 |
35 |
58 |
74 |
205 |
322 |
460 |
576 |
864 |
1280 |
1600 |
|
電動 |
H2 |
- |
- |
- |
- |
- |
554 |
600 |
652 |
760 |
770 |
830 |
- |
940 |
L1 |
- |
- |
- |
- |
- |
235 |
235 |
235 |
259 |
400 |
400 |
- |
410 |
|
氣動 |
H3 |
274 |
379 |
389 |
479 |
552 |
666 |
736 |
926 |
1059 |
1127 |
1127 |
1468 |
1538 |
L2 |
270 |
405 |
405 |
576 |
576 |
776 |
776 |
776 |
1060 |
1060 |
1060 |
1360 |
1360 |
|
![]() |





