J41Y鉻鉬鋼截止閥產品概述:
1、J41Y高中壓系列鉻鉬鋼截止閥適用于高溫的蒸汽、油品管道上,具有耐高溫特點。
2、全關 時手輪按順時針方向旋轉;
3、可以安裝在管道的任何位置上,介質從下往上流。
4、鉻鉬鋼截止閥表面噴深藍色漆,法蘭部分留白。也可按客戶噴涂包裝。
J41Y鉻鉬鋼截止閥生產范圍
| 型號: |
J41Y-6I/25I/40I/64I/100I/160I |
口徑: |
DN15-DN500 |
| 壓力: |
1.6MPA-16MPA |
材質: |
鉻鉬鋼、鉻鉬釩鋼 |
J41Y鉻鉬鋼截止閥試驗壓力
| 公稱壓力PN(MPa) |
1.6 |
2.5 |
4.0 |
6.4 |
10.0 |
16.0 |
| 殼體強度試驗 |
2.4 |
3.8 |
6.0 |
9.6 |
15 |
24 |
| 上密封試驗 |
1.8 |
2.8 |
4.4 |
7.0 |
11 |
18 |
| 密封試驗 |
1.8 |
2.8 |
4.4 |
7.0 |
11 |
18 |
| 產品類型 |
適用介質 |
適用溫度(℃) |
| J41Y-C型 |
水、蒸汽、油品 |
≤425℃ |
| J41Y-I型 |
水、蒸汽、油品 |
≤550℃ |
J41Y鉻鉬鋼截止閥主要零件材料
| 產品類型 |
零件名稱 |
| 閥體、閥蓋 |
閥桿 |
閥瓣 |
密封面 |
閥桿螺母 |
填料 |
緊固件 |
手輪 |
| J41Y-C型 |
25、WCB |
鉻不銹鋼 |
2Cr1325 |
鈷基硬質合金鋼 |
鋁青銅 |
柔性石墨 |
優質碳鋼 |
可鍛鑄鐵 |
| J41Y-I型 |
鉻鉬鋼 |
鉻鉬鋼 |
合金鋼 |
鈷基硬質合金鋼 |
鋁青銅 |
柔性石墨 |
合金鋼 |
可鍛鑄鐵 |
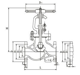
J41Y-16型主要尺寸和重量
| 公稱通徑DN |
主要外形尺寸和連接尺寸(mm) |
重量(kg) |
| L |
D |
D1 |
D2 |
b |
f |
z-d |
H |
D0 |
| J41Y-16C J41Y-16I J41H-16 J41H-16I |
| 10 |
130 |
90 |
60 |
40 |
14 |
2 |
4-14 |
198 |
120 |
4.7 |
| 15 |
130 |
95 |
65 |
45 |
16 |
2 |
4-14 |
218 |
120 |
5.2 |
| 20 |
150 |
105 |
75 |
55 |
16 |
2 |
4-14 |
258 |
140 |
7.1 |
| 25 |
160 |
115 |
85 |
65 |
16 |
2 |
4-14 |
275 |
160 |
7.4 |
| 32 |
180 |
135 |
100 |
78 |
18 |
2 |
4-18 |
280 |
180 |
8.5 |
| 40 |
200 |
145 |
110 |
85 |
18 |
3 |
4-18 |
330 |
200 |
12.5 |
| 50 |
230 |
160 |
125 |
100 |
18 |
3 |
4-18 |
350 |
240 |
20 |
| 65 |
290 |
180 |
145 |
12 |
18 |
3 |
4-18 |
400 |
280 |
25 |
| 80 |
310 |
195 |
160 |
135 |
20 |
3 |
8-18 |
355 |
280 |
35 |
| 100 |
350 |
215 |
180 |
155 |
22 |
3 |
8-18 |
415 |
320 |
50 |
| 125 |
400 |
245 |
210 |
185 |
24 |
3 |
8-18 |
460 |
360 |
75 |
| 150 |
480 |
280 |
240 |
210 |
24 |
3 |
8-23 |
510 |
400 |
100 |
| 200 |
600 |
335 |
295 |
265 |
26 |
3 |
12-23 |
710 |
400 |
210 |
| 250 |
650 |
405 |
355 |
320 |
30 |
3 |
12-23 |
786 |
450 |
446 |
| 300 |
750 |
460 |
410 |
375 |
30 |
3 |
12-23 |
925 |
500 |
648 |
J41Y-25型主要尺寸及重量
| 公稱通徑DN |
J41Y-25 J41Y-25I J41H-25 J41H-25I |
| 主要外形尺寸和連接尺寸(mm) |
重量(kg) |
| L |
D |
D1 |
D2 |
b |
f |
z-d |
H |
D0 |
手動 |
| 10 |
130 |
90 |
60 |
4 |
16 |
2 |
4-14 |
198 |
120 |
4.9 |
| 15 |
130 |
95 |
65 |
45 |
16 |
2 |
4-14 |
218 |
120 |
5.4 |
| 20 |
150 |
105 |
75 |
55 |
16 |
2 |
4-14 |
258 |
140 |
7 |
| 25 |
160 |
115 |
85 |
65 |
16 |
2 |
4-14 |
275 |
160 |
7.4 |
| 32 |
180 |
135 |
100 |
78 |
18 |
2 |
4-18 |
280 |
180 |
8.5 |
| 40 |
200 |
145 |
110 |
85 |
18 |
3 |
4-18 |
330 |
200 |
12.5 |
| 50 |
230 |
160 |
125 |
100 |
20 |
3 |
4-18 |
350 |
240 |
16 |
| 65 |
290 |
180 |
145 |
120 |
22 |
3 |
8-18 |
400 |
280 |
25 |
| 80 |
310 |
195 |
160 |
135 |
22 |
3 |
8-18 |
355 |
280 |
30 |
| 100 |
350 |
230 |
190 |
160 |
24 |
3 |
8-23 |
415 |
320 |
34.5 |
| 125 |
40 |
270 |
220 |
188 |
28 |
3 |
8-25 |
460 |
360 |
89 |
| 15 |
480 |
300 |
250 |
218 |
30 |
3 |
8-25 |
510 |
400 |
98 |
| 200 |
600 |
360 |
310 |
278 |
34 |
3 |
12-25 |
710 |
400 |
180 |
| 250 |
650 |
425 |
370 |
332 |
36 |
3 |
12-30 |
786 |
450 |
446 |
| 300 |
750 |
485 |
430 |
390 |
40 |
4 |
12-30 |
925 |
500 |
654 |
J41Y-40型主要尺寸和重量
| 公稱通徑DN |
J41Y-40C J41Y-40I J41H-40 J41H-40I |
| 主要外形尺寸和連接尺寸(mm) |
重量(kg) |
| L |
D |
D1 |
D2 |
D6 |
b |
f |
f2 |
z-d |
H |
D0 |
手動 |
| 10 |
130 |
90 |
60 |
40 |
35 |
16 |
2 |
4 |
4-14 |
198 |
120 |
4.9 |
| 15 |
130 |
95 |
65 |
45 |
40 |
16 |
2 |
4 |
4-14 |
233 |
120 |
5.4 |
| 20 |
15 |
15 |
75 |
55 |
51 |
16 |
2 |
4 |
4-14 |
275 |
140 |
7 |
| 25 |
160 |
115 |
85 |
65 |
58 |
16 |
2 |
4 |
4-14 |
285 |
160 |
8.8 |
| 32 |
180 |
135 |
100 |
78 |
66 |
18 |
2 |
4 |
4-18 |
302 |
180 |
11.8 |
| 40 |
200 |
145 |
110 |
85 |
76 |
18 |
3 |
4 |
4-18 |
355 |
200 |
16.5 |
| 50 |
230 |
160 |
125 |
100 |
88 |
20 |
3 |
4 |
4-18 |
373 |
240 |
24 |
| 65 |
290 |
180 |
145 |
120 |
110 |
22 |
3 |
44 |
8-18 |
408 |
280 |
33 |
| 80 |
310 |
195 |
160 |
135 |
121 |
22 |
3 |
4 |
8-18 |
436 |
320 |
44 |
| 100 |
350 |
230 |
190 |
160 |
15 |
24 |
3 |
4.5 |
8-23 |
480 |
360 |
60 |
| 125 |
400 |
270 |
220 |
188 |
176 |
28 |
3 |
4.5 |
8-25 |
558 |
400 |
89 |
| 150 |
480 |
300 |
250 |
218 |
204 |
30 |
3 |
4.5 |
8-25 |
611 |
400 |
98 |
| 200 |
600 |
375 |
320 |
282 |
260 |
38 |
3 |
4.5 |
12-30 |
720 |
400 |
190 |
J41Y-64型、J41Y-100型J41Y-160型主要尺寸及重量
| 公稱通徑DN |
主要外形尺寸和連接尺寸(mm) |
重量(kg) |
| L |
D |
D1 |
D2 |
D6 |
b |
f |
f2 |
z-d |
H |
D0 |
手動 |
| J41Y-64C J41Y-64I J41H-64 J41H-64I |
|
| 10 |
170 |
100 |
70 |
50 |
35 |
18 |
2 |
4 |
4-14 |
198 |
120 |
5.7 |
| 15 |
170 |
105 |
75 |
55 |
41 |
18 |
2 |
4 |
4-14 |
195 |
140 |
10 |
| 20 |
190 |
125 |
90 |
68 |
51 |
20 |
2 |
4 |
4-18 |
228 |
160 |
13 |
| 25 |
210 |
135 |
100 |
78 |
58 |
22 |
2 |
4 |
4-18 |
275 |
180 |
14.5 |
| 32 |
230 |
150 |
110 |
82 |
66 |
24 |
2 |
4 |
4-23 |
325 |
200 |
19 |
| 40 |
260 |
165 |
125 |
95 |
76 |
24 |
3 |
4 |
4-23 |
360 |
240 |
25 |
| 50 |
300 |
175 |
135 |
105 |
88 |
26 |
3 |
4 |
8-23 |
410 |
280 |
35 |
| 65 |
340 |
200 |
160 |
130 |
110 |
28 |
3 |
4 |
8-23 |
450 |
320 |
48 |
| 80 |
380 |
210 |
170 |
140 |
121 |
30 |
3 |
4 |
8-23 |
485 |
360 |
56 |
| 100 |
430 |
250 |
200 |
168 |
150 |
32 |
3 |
4 |
8-25 |
537 |
400 |
125 |
| 125 |
500 |
295 |
240 |
202 |
176 |
36 |
3 |
4 |
8-30 |
631 |
400 |
131 |
| 150 |
550 |
340 |
280 |
240 |
204 |
38 |
3 |
4 |
8-34 |
646 |
450 |
157 |
| 200 |
650 |
405 |
345 |
300 |
260 |
44 |
3 |
4 |
12-34 |
813 |
500 |
283 |
| J41Y-100C J41Y-100I J41H-100 J41H-100I |
|
| 10 |
170 |
100 |
70 |
50 |
35 |
20 |
2 |
4 |
4-14 |
198 |
120 |
6 |
| 15 |
170 |
105 |
75 |
55 |
40 |
20 |
2 |
4 |
4-14 |
202 |
140 |
11 |
| 20 |
190 |
125 |
90 |
68 |
51 |
22 |
2 |
4 |
4-18 |
228 |
160 |
13.2 |
| 25 |
210 |
135 |
100 |
78 |
58 |
24 |
2 |
4 |
4-18 |
250 |
180 |
14 |
| 32 |
230 |
150 |
110 |
82 |
66 |
24 |
2 |
4 |
4-23 |
326 |
220 |
15 |
| 40 |
260 |
165 |
125 |
95 |
76 |
26 |
3 |
4 |
4-23 |
359 |
240 |
29 |
| 50 |
300 |
195 |
145 |
112 |
88 |
28 |
3 |
4 |
4-25 |
414 |
280 |
49 |
| 65 |
340 |
220 |
170 |
138 |
110 |
32 |
3 |
4 |
8-25 |
434 |
320 |
65 |
| 80 |
380 |
230 |
180 |
148 |
121 |
34 |
3 |
4 |
8-25 |
547 |
400 |
95 |
| 100 |
430 |
265 |
210 |
172 |
150 |
38 |
3 |
4.5 |
8-30 |
621 |
450 |
115 |
| 125 |
500 |
310 |
250 |
210 |
176 |
42 |
3 |
4.5 |
8-34 |
732 |
450 |
149 |
| 150 |
550 |
350 |
290 |
250 |
204 |
46 |
3 |
4.5 |
12-34 |
84 |
500 |
310 |
| 200 |
650 |
430 |
360 |
312 |
260 |
54 |
3 |
4.5 |
12-41 |
925 |
550 |
590 |
| J41Y-160C J41Y-160I J41H-160 J41H-160I |
|
| 15 |
170 |
110 |
75 |
52 |
40 |
24 |
2 |
4 |
4-18 |
148 |
140 |
12.2 |
| 20 |
190 |
130 |
90 |
65 |
51 |
26 |
2 |
4 |
4-23 |
156 |
160 |
15 |
| 25 |
210 |
140 |
100 |
72 |
58 |
28 |
2 |
4 |
4-23 |
125 |
180 |
17 |
| 32 |
230 |
165 |
115 |
85 |
66 |
30 |
2 |
4 |
4-25 |
200 |
200 |
21.4 |
| 40 |
260 |
175 |
125 |
92 |
76 |
32 |
3 |
4 |
4-27 |
231 |
240 |
32 |
| 50 |
300 |
215 |
165 |
132 |
88 |
36 |
3 |
4 |
8-25 |
262 |
250 |
52 |
| 65 |
340 |
245 |
190 |
152 |
110 |
44 |
3 |
4 |
8-30 |
303 |
320 |
69 |
| 80 |
380 |
260 |
205 |
168 |
121 |
46 |
3 |
4 |
8-30 |
341 |
400 |
98 |
| 100 |
430 |
300 |
240 |
200 |
150 |
48 |
3 |
4.5 |
8-34 |
485 |
450 |
119 |
 |
注:以上的產品介紹,參數,圖片,數據僅用于參考,如果需更準確的資料請咨詢公司技術服務熱線:18117208829