
產品名稱:D673H氣動對夾硬密封蝶閥
產品標簽:蝶閥,氣動對夾硬密封蝶閥
更新時間:2019/5/29 10:14:17
上一個產品: D941W電動通風蝶閥
下一個產品:D673H/D643H氣動硬密封蝶閥
在線訂購:在線訂購
產品詳情
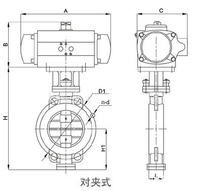
公稱通徑DN(mm) |
50~2000 |
|||
公稱壓力PN(Mpa) |
0.6 |
1.0 |
1.6 |
2.5 |
密封試驗(Mpa) |
0.66 |
1.1 |
1.76 |
2.75 |
強度試驗(Mpa) |
0.9 |
1.5 |
2.4 |
3.75 |
適用溫度 |
碳鋼:-29℃~425℃ 不銹鋼:-40℃~650℃ |
|||
適用介質 |
水、空氣、天然氣、油品及弱腐蝕性流體 |
|||
泄漏率 |
符合GB/T13927-92標準 |
|||
驅動方式 |
蝸輪傳動、電動、氣動、液動 |
|||
零件名稱 |
零件材料 |
閥體 |
碳鋼、不銹鋼、鉻鋼、合金鋼 |
蝶板 |
碳鋼、不銹鋼、鉻鋼、合金鋼 |
密封圈 |
316不銹鋼+柔性石墨、聚四氟乙烯 |
閥桿 |
45#、2Cr13、不銹鋼、鉻鉬鋼 |
填料 |
柔性石墨、聚四氟乙烯 |
備注 :鑄鋼:WCB,合金鋼:WC6、WC9,鉻鉬鋼,不銹鋼:CF8、CF8M、CF3、CF3M |
|
公稱通徑(DN) |
主要尺寸 |
法蘭尺寸和螺栓規格 |
|||||
1.0MPa |
1.6MPa |
||||||
L |
H |
H1 |
D1 |
4-Ф-M |
D1 |
4-Ф-M |
|
50 |
43 |
625 |
112 |
125 |
Ф18 |
125 |
Ф18 |
65 |
46 |
625 |
115 |
145 |
Ф18 |
145 |
Ф18 |
80 |
49 |
645 |
120 |
160 |
Ф18 |
160 |
Ф18 |
100 |
56 |
675 |
138 |
180 |
Ф18 |
180 |
Ф18 |
125 |
64 |
715 |
164 |
210 |
Ф18 |
210 |
Ф18 |
150 |
70 |
800 |
175 |
240 |
Ф23 |
240 |
Ф23 |
200 |
71 |
850 |
208 |
295 |
M20 |
295 |
M20 |
250 |
76 |
925 |
243 |
350 |
M20 |
355 |
M24 |
300 |
83 |
1035 |
283 |
400 |
M20 |
410 |
M24 |
350 |
92 |
1070 |
310 |
460 |
M20 |
470 |
M24 |
400 |
102 |
1190 |
340 |
515 |
M24 |
525 |
M27 |
450 |
114 |
1250 |
380 |
565 |
M24 |
585 |
M27 |
500 |
127 |
1290 |
410 |
620 |
M24 |
650 |
M30 |
600 |
154 |
1455 |
470 |
725 |
M27 |
770 |
M33 |
700 |
165 |
1585 |
550 |
840 |
M27 |
840 |
M33 |
800 |
190 |
1700 |
640 |
950 |
M30 |
950 |
M36 |
900 |
203 |
1965 |
710 |
1050 |
M30 |
1050 |
M36 |
1000 |
216 |
2015 |
770 |
1160 |
M33 |
1170 |
M39 |
1200 |
254 |
2250 |
890 |
1380 |
M36 |
1390 |
M45 |
![]() |





